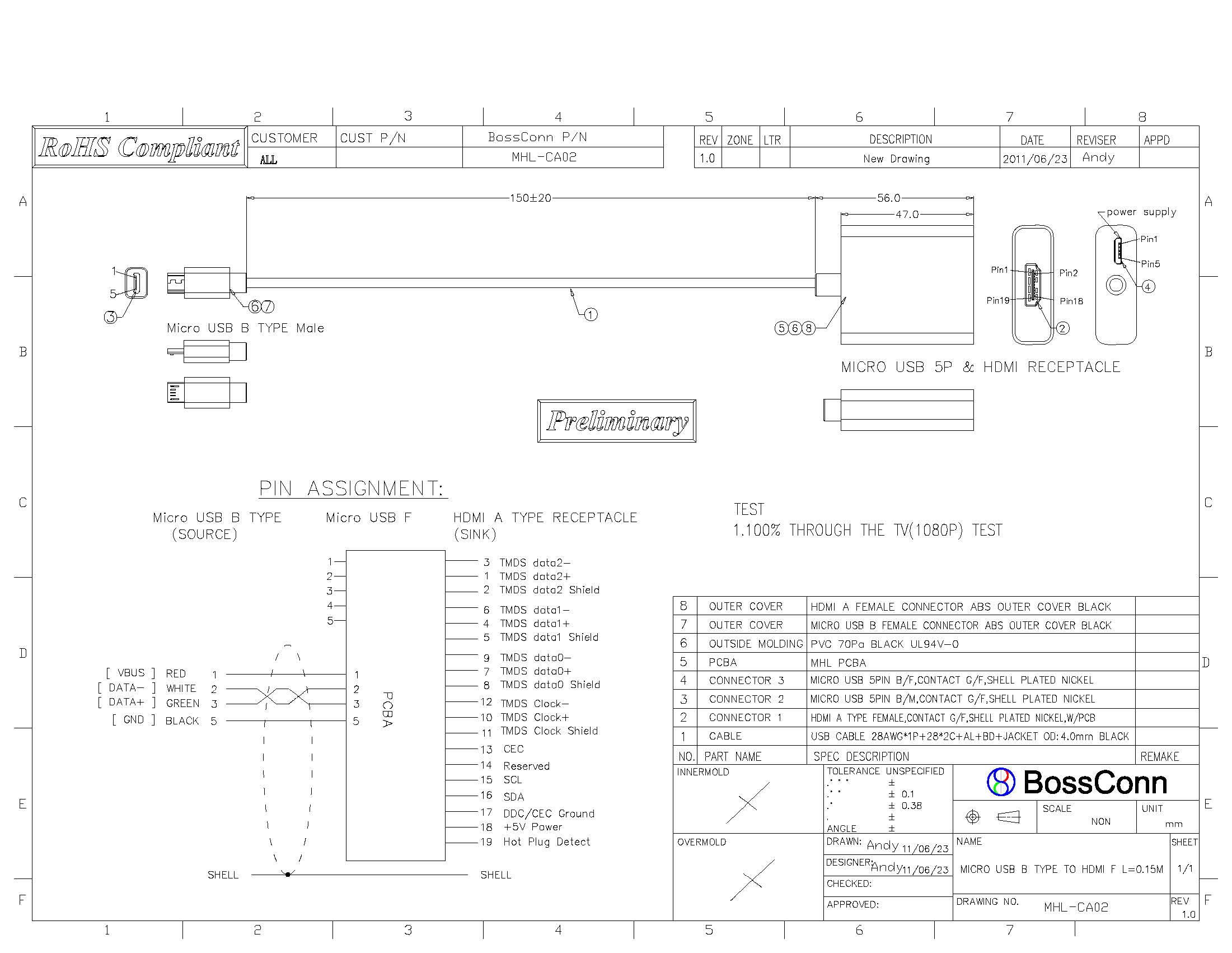
MHL Cable

<< 1 2 > >>